Page 1 of 1
ADC read with labview
Posted: Tue Nov 23, 2010 2:17 pm
by Hansanaut
Hi folks,
can anybody help me with this?
How do I read out the adc values of the sub 20 via labview?
Is there an example?
Thanks for the help!
Greetz Hansanaut
Re: ADC read with labview
Posted: Wed Nov 24, 2010 4:48 am
by serg
Hi,
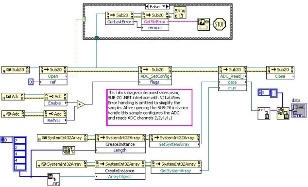
The labview sample vi's available under C:\Program Files\SUB-20\sample\.NET\labview folder. To read the ADC samples you should call the ADC_SetConfig and ADC_Single/ADC_Read methods.
Regards
Re: ADC read with labview
Posted: Wed Nov 24, 2010 8:18 am
by Hansanaut
Hi,
thanks for the fast reply.
I've already found the examples.
But I still don't know how to configure the input ports of the methods.
What is the input of the adc_read method? How do I configure 'data' and 'mux'?
I attached a screenshot and the VI - maybe you can help me to solve this.
Sorry about the noob questions

- I'm not realy used to work with labview that much.
Thank you!
Greetz Hansanaut
Re: ADC read with labview
Posted: Thu Nov 25, 2010 6:07 am
by serg
Hi Greetz,
This sample demonstrates using the SUB-20 adc interface

- sub20-adc.JPG (44.61 KiB) Viewed 26331 times